SporTeur - JCA Design
Das SportTeur Projekt entstand aus einer einfachen Beobachtung während der Fußballtrainingseinheiten meines Sohnes.
Mir ist aufgefallen, dass Trainer und junge Spieler Schwierigkeiten haben, die verschiedenen Accessoires zu tragen, die für ihre Übungen benötigt werden.
Das hat mich dazu inspiriert, ein Set zu entwerfen, das alle wichtigen Geräte für das Mannschaftssporttraining vereint kompakt, praktisch und für eine Person einfach zu transportieren.

Das Design
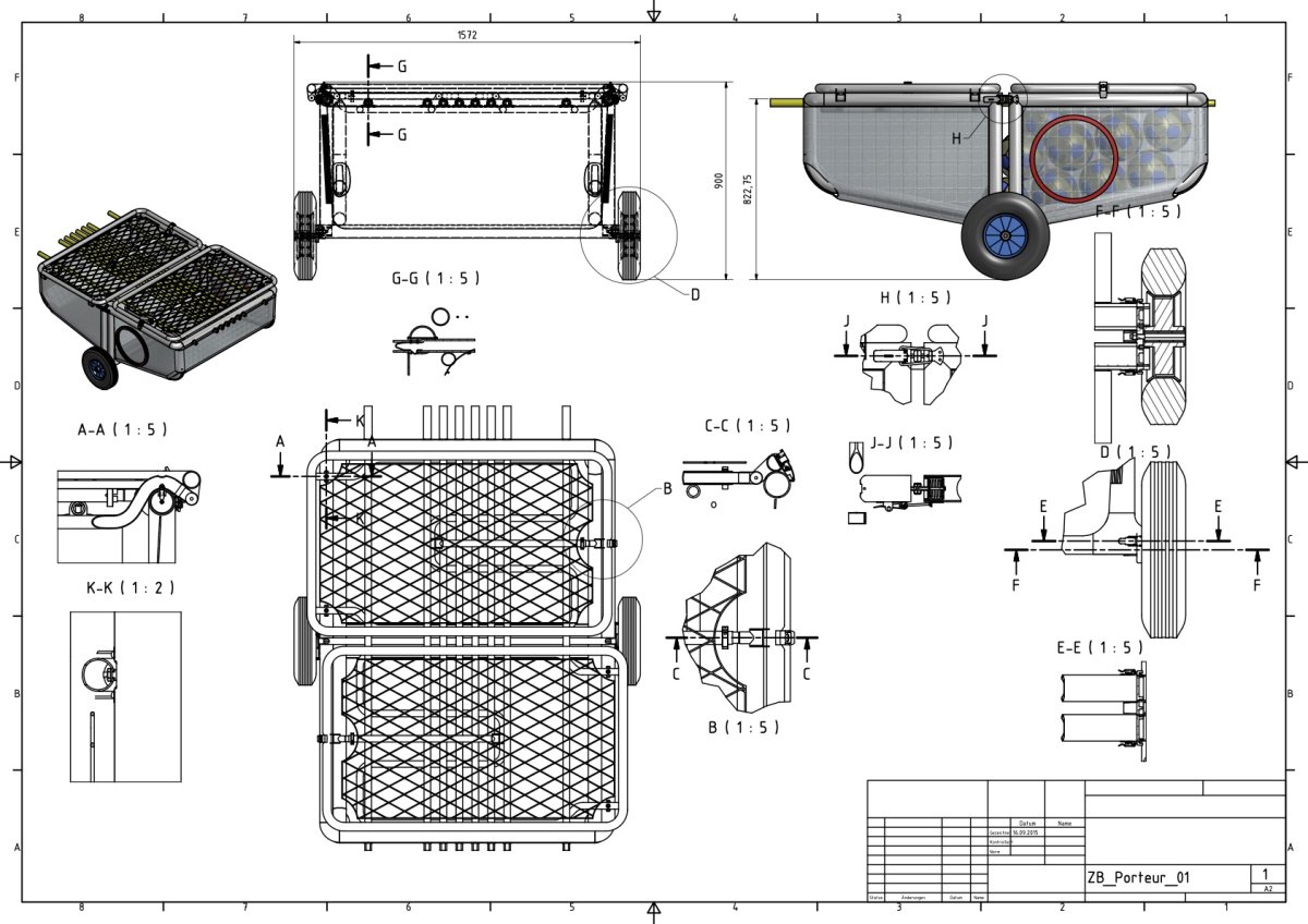
Der SporTeur ist ein komplettes Trainingsset für Mannschaftssportarten.
Es vereint alle Zubehörteile, die zum Einrichten von technischen, physischen und Koordinationsübungen benötigt werden, und vereinfacht gleichzeitig den Transport und die Lagerung.
Sein innovatives Konzept beruht auf einem cleveren Design: Einmal zusammengebaut, bilden die verschiedenen Zubehörteile den SporTeur, der es ermöglicht, die gesamte Ausrüstung auf einmal zu transportieren, ohne dass spezielle Transportlösungen erforderlich sind.

Die Entwicklung
Das System basiert auf multifunktionalem Zubehör, das nach dem Zusammenbau zu einem praktischen Transportwerkzeug wird.
Ihr Design integriert sowohl funktionale Elemente (wie Taschen und elastische Netze), um Lagerung und Sicherheit zu gewährleisten, als auch Nutzungsanforderungen wie Leichtigkeit, Wendigkeit und Haltbarkeit auf allen Arten von Gelände.
Die Entwicklung berücksichtigte auch die Materialfestigkeit und die Ergonomie des Benutzers, wobei auf die Ästhetik geachtet wurde, was es zu einem Produkt machte, das sowohl für Amateure als auch für Profis geeignet war.

Die Vorteile
- Zeitsparend: Schnelle Montage und Demontage durch die Integration des Zubehörs miteinander.
- Praktikabilität: keine Ausrüstung mehr im Lagerraum, alles ist zusammengefügt.
- Effizienz: keine transportreinen Geräte, die den Trainingsbereich überladen.
- Vielseitigkeit: geeignet für das körperliche und technische Training in verschiedenen Mannschaftssportarten.

Tragelösung
Tragen Sie alle Zubehörteile gleichzeitig mit nur einer Person.
Sobald das Trainingsset im SporTeur zusammengebaut ist, kann eine einzelne Person alle Elemente und Zubehörteile problemlos transportieren und aufbewahren.

Aufbewahrungslösung
Lagern Sie alle Geräte schnell und ohne Platzprobleme.
Eine Aufbewahrungslösung, die auf dem Prinzip der offenen Unterstände basiert, ähnlich wie Fahrradunterstände, wurde entwickelt, um die einfache und schnelle Lagerung des SporTeur ohne Demontage zu ermöglichen.
Diese Shelter-Lösung ist so konzipiert, dass sie an die meisten bestehenden Fahrradunterstände in Sportanlagen oder als Alternative zum Bau zusätzlicher technischer Lagerräume angepasst werden kann.

Funktionsprototyp
Ich habe einen funktionalen Prototyp des SporTeur gebaut, um mehrere Schlüsselaspekte zu validieren:
- Beurteilung der Herstellbarkeit und Identifizierung der notwendigen Optimierungen für die Produktion,
- Überprüfung der Montage und Demontage des Sets,
- Gewährleistung einer reibungslosen und sicheren Handhabung durch eine einzelne Person.
Set Zusammensetzung:
- 2 × mini goals — sponsor-ready for crowdfunding
2 × rebound trampolines — sponsor-ready for crowdfunding
1 × foot-tennis net — sponsor-ready for crowdfunding
6 × adjustable hurdles (depending on configuration)
4 × mini hurdles (depending on configuration)
8 × poles, 180 cm with end caps
6 × poles, 120 cm with end caps
12 × flat rings, Ø40 cm
40 × marker cones, Ø20 cm
1 × foot-tennis net — sponsor-ready for crowdfunding
6 × adjustable hurdles (depending on configuration)
4 × mini hurdles (depending on configuration)
8 × poles, 180 cm with end caps
6 × poles, 120 cm with end caps
12 × flat rings, Ø40 cm
40 × marker cones, Ø20 cm
- 6 × pole bases, 1.25 kg each
2 × storage bags — sponsor-ready for crowdfunding
1 × Training free-kick wall
2 × resistance parachutes
1 × speed ladder, 4 m length, 42 cm width, rigid adjustable rungs
6 × resistance bands
6 × water bottles, 0.5 L — sponsor-ready for crowdfunding
Up to 40 balls can be carried (not included)